?
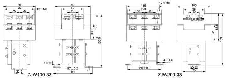
ZJW100/200-33直流接触?/p>
6-220V
100AQ?6-18W 200AQ?2-24W
100A?00A
6-80V DC
ZJW100/200-33pd直流接触器可q泛应用于蓄甉|车辆作v动、停止、调速和牵引R、矿山机械、石油化工、冶金船舶、电(sh)信、计机{领域的甉|切换及不间断甉|pȝQ该产品W合JB3974 - 85《蓄甉|车辆用直电(sh)器基本技术条件》及邮电(sh)部YD/T585 - 92《通信用配?sh)设备》,YD/T512 - 92《电(sh)报电(sh)源设备技术条件》等标准?




