MZJ-200A/006直流接触器

您的位置 : 网站首页 > 产品中心 > 主触头一常开直流接触器系列 > MZJ-200A/006直流接触器
MZJ-200A/006
MZJ-200A/006
  • MZJ-200A/006
型号:MZJ-200A/006直流接触器
  • 线圈额定电压(V)

    24V

  • 主触点额定电流(A)

    200A

联系电话:021-55560736
ZJ-50D直流接触器

产品介绍

Product introduction

产品用途
通讯电源,工程机械,电动叉车,汽车,火车,UPS等电控系统。
型号及含义
技术数据
线路原理图
性能参数
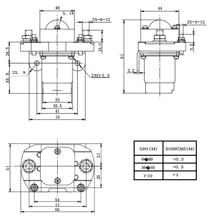
外形安装图
MZJ-200A/006直流接触器
  • 邮  箱:cnhgq@foxmail.com 邮  编:201206
  • 厂  址:上海市曹路钦塘工业园钦塘东南1号 销售地址:上海浦东新区外高桥华申路150号2幢
  • © Copyright JOSEF Inc. All rights reserved.沪ICP备08020013号